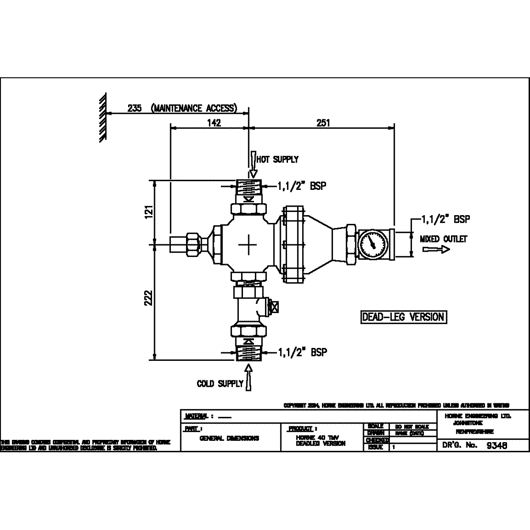
Horne 40 & 50 Brochure (513KB, pdf) Product Information brochure for Horne 40 (DN 40) and Horne 50 (DN50) Low-Flow / High-Flow thermostatic mixing valves, TMV. More